Samostatný tlakový limit mrtvice mikro spínač, jako ovládací prvek vyvolaný mechanickým přemístěním, hraje základní roli při přesně ovládání pohybových hranic zařízení, dosažení automatizované startovací nebo bezpečnostní ochrany a je široce použitelné v různých oborech, jako je průmysl, domácí spotřebiče a doprava.
Přepínač Představituction
The travel limit switch is triggered mechanically, and the action of the contacts is used for control: when the moving parts of the equipment move to a preset position and touch the triggering mechanism of the switch (such as a roller or lever), it drives the internal mechanical structure to interact, causing the normally open/normally closed contacts of the switch to switch between on and off, thereby cutting off or connecting the control circuit to realize the start and stop of the equipment, limit protection, or Přepínání procesů.
Přepínač Aplica..
V zařízení, jako jsou soustruhy, frézovací stroje a obráběcí centra, jsou limitní spínače běžně instalovány na obou koncích vodicí kolejnice nebo na extrémních pozicích posuvného stolu. Například na pohybujícím se trati držáku nástrojů na soustruhu CNC, když se držák nástroje přiblíží ke konci dráhy, je přepínač spuštěn, aby přerušil napájení motoru, což zabrání držáku nástroje v překročení jeho cestování a sražení s tělem stroje. Podobně, když se pracovní tabulka frézovacího stroje pohybuje do boku nebo tam a zpět, přepínač přesně řídí hranice pohybu a zabraňuje rušení mezi obrobením a stroji, čímž chrání řezné nástroj a zajišťuje přesnost obrábění.
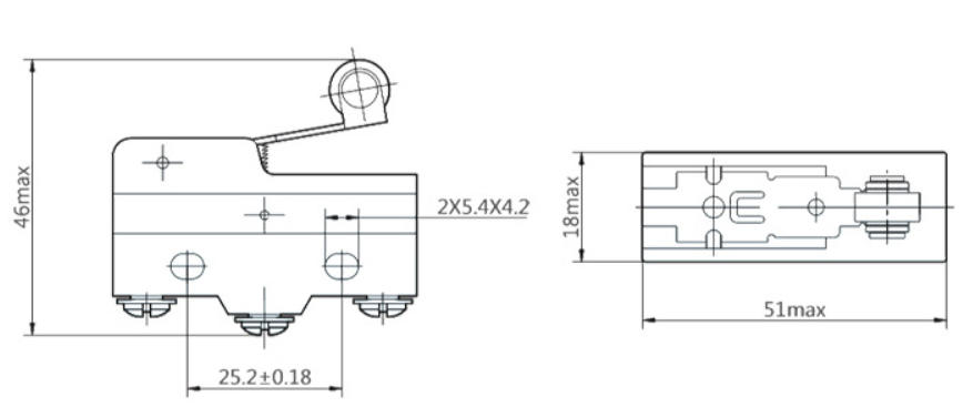
Přepínač Podrobnosti
