Domov > produkty > Mikro spínač > Vypínač sporáku na zemní plyn a plynového sporáku
Vypínač sporáku na zemní plyn a plynového sporáku

Vypínač sporáku na zemní plyn a plynového sporáku

Spínač sporáku a plynového sporáku na zemní plyn je automatický ovládací prvek spouštěný mechanickým pohybem. Jeho hlavní funkcí je detekovat posunutí nebo zdvih předmětu k dosažení otevření a zavření obvodů, spuštění a zastavení zařízení nebo omezení ochrany. Je to nepostradatelný „bezpečnostní strážce“ a „velitel akce“ v průmyslové automatizaci a elektromechanických zařízeních.

Modelka:HK-04G-1AT-009

Odeslat dotaz

Popis výrobku

WEIPENG®je přední vypínač sporáku na zemní plyn a plynového sporáku výrobars, suppla vývozce. 

Přepínač Úvodaukce 


Přepínače řady HK-04G se zaměřují na praktické scénáře z hlediska elektrického výkonu. Kontakty jsou vyrobeny z vysoce čisté slitiny stříbra a cínu a jsou zpracovány technologií přesného svařování. Počáteční přechodový odpor je ≤8mΩ a mohou spolehlivě přenášet proud 10A-16A AC (jmenovité napětí 250V AC). Jsou vhodné nejen pro ovládání zařízení s nízkou spotřebou, jako jsou inteligentní domácí osvětlení a zásuvky, ale také pro zařízení se střední spotřebou, jako jsou malé průmyslové ventilátory a komerční tiskárny. To účinně zabraňuje přehřátí kontaktů a erozi způsobené proudovým přetížením a zajišťuje bezpečné a stabilní vedení obvodu.


Přepínač Aplikace


1. Scénáře chytré domácnosti: Pohodlné ovládání, integrované do LifeSérie HK-04G se svou kompaktní velikostí (přibližně 20×15×10 mm, dך×v) lze snadno integrovat do chytrých rozvodných skříní, nástěnných chytrých zásuvek a inteligentních ovládacích panelů osvětlení. Nyní se stal podpůrným prvkem pro několik domácích značek chytrých domácností. Například poté, co je chytrá zásuvka určité značky vybavena kolébkovým vypínačem této řady, mohou uživatelé rychle zapnout a vypnout napájení jeho stisknutím. V kombinaci s dálkovým ovládáním APP dosahuje duálního režimu ovládání „místní + vzdálené“ a míra selhání produktu je snížena o 40 % ve srovnání s tradičními přepínači, což zlepšuje uživatelský zážitek.

2. Komerční a malé průmyslové scénáře: Efektivní přizpůsobení, zajištěný provoz

Komerční vybavení: Přizpůsobeno pro řízení výkonu komerčních kávovarů, registračních pokladen a tiskáren s optimalizovanými strukturami připojení terminálů podporujících rychlou instalaci kabeláže. Po dávkové aplikaci v řetězové kavárně se efektivita montáže zařízení zvýšila o 25 % a při dlouhodobém používání nedošlo k žádným problémům s prostojem zařízení způsobeným poruchami spínačů.

Malý průmysl: Používá se pro řízení okruhu malých dopravníkových zařízení a osvětlení dílen. Pouzdro zpomalující hoření a stabilní elektrický výkon si poradí s mírným prašným prostředím v dílnách. Jistá továrna na zpracování elektroniky jej používala 18 měsíců, aniž by došlo ke snížení výkonu spínačů, což zajistilo stabilní provoz výrobní linky.


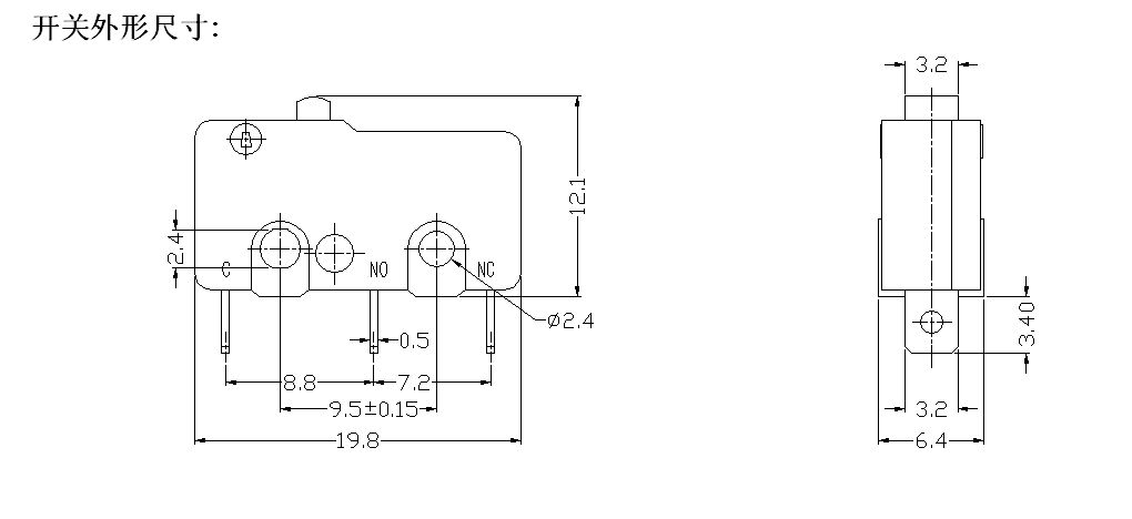
Přepínač Podrobnosti



Hot Tags: Sporák na zemní plyn a spínač plynového sporáku, Čína, Výrobci, Dodavatelé, Velkoobchod, Továrna, Cena
Související kategorie
Odeslat dotaz
Neváhejte a napište svůj dotaz do formuláře níže. Odpovíme vám do 24 hodin.
X
We use cookies to offer you a better browsing experience, analyze site traffic and personalize content. By using this site, you agree to our use of cookies. Privacy Policy
Reject Accept