Jako srovnávací model řady mikrospínačů Yueqing Tongda Wire Electric Factory se mikrospínač mikrovlnné trouby a pračky vyznačuje „vysokou citlivostí, ultra dlouhou životností a přizpůsobivostí více scénářům“ jako hlavní výhody. Integrací 35 let zkušeností společnosti s výrobou spínačů se stal klíčovou řídicí komponentou v domácích spotřebičích, automobilové elektronice, průmyslové automatizaci a dalších oborech, a to díky minimální mezeře kontaktů a mechanismu rychlé akce. Jeho výkon a spolehlivost byly certifikovány mnoha autoritativními organizacemi po celém světě, čímž si zajistily své hlavní postavení na vedlejším trhu.
Mikrospínač Úvod
Produkt získal hlavní globální bezpečnostní certifikace včetně UL, C-UL, ENEC, VDE, CE, CB, TUV, CQC a KC, vyhovuje normě IEC 61058 a splňuje požadavky na přístup na trh v regionech, jako je Evropa, Amerika a Asie a Tichomoří. Společnost dosáhla certifikací systému managementu kvality ISO9001 a IATF 16949 a přísně dodržuje směrnice RoHS a REACH pro životní prostředí, což zajišťuje precizní kontrolu v průběhu celého výrobního procesu. Se 6 národními patenty na vynálezy a 48 patenty na užitné vzory dosahuje řada HK-14 špičkové úrovně spolehlivosti a konzistence.
Pokyny pro instalaci a použití
Při instalaci musí být spínač namontován na rovnou plochu a upevněn plochou podložkou nebo pérovou podložkou, aby se předešlo chybné funkci nebo poškození pláště způsobeného nerovným povrchem. Vybírejte modely podle prostředí: pro vlhké nebo prašné podmínky se pro zvýšení ochrany doporučuje použít uzavřenou vlastní verzi. Na tlačítko nebo ovladač nenanášejte mazací olej, aby nedošlo k přilepení kontaktů, funkčním poruchám nebo dokonce vyhoření. Během skladování uchovávejte produkt na suchém, větraném místě, chráněném před deštěm nebo sněhem, a vyhněte se vysokým teplotám a vlhkosti, které mohou způsobit stárnutí součástí, čímž zajistíte, že si produkt zachová svůj původní výkon.
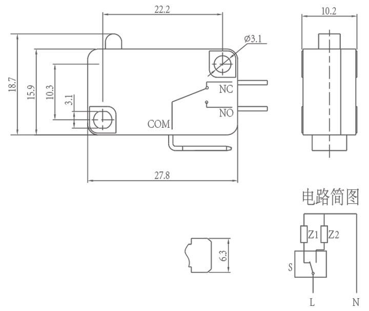
Parametr mikrospínače (specifikace)
| Technické vlastnosti spínače: | |||
| POLOŽKA | Technický parametr | Hodnota | |
| 1 | Elektrické hodnocení | 5(2)A/10A/16(3)A/21(8)A 250VAC | |
| 2 | Kontaktní odpor | ≤30mΩ Počáteční hodnota | |
| 3 | Izolační odpor | ≥100MΩ (500VDC) | |
| 4 |
Dielektrikum Napětí |
Mezi nezapojené svorky |
1000V/0,5mA/60S |
|
Mezi terminály a kovový rám |
3000V/0,5mA/60S | ||
| 5 | Elektrická životnost | ≥50 000 cyklů | |
| 6 | Mechanický život | ≥1000000 cyklů | |
| 7 | Provozní teplota | -25~125℃ | |
| 8 | Provozní frekvence |
elektrický: 15 cyklů Mechanické: 60 cyklů |
|
| 9 | Odolnost proti vibracím |
Frekvence vibrací: 10~55HZ; Amplituda: 1,5 mm; Tři směry: 1H |
|
| 10 |
Schopnost pájení: Více než 80 % ponořené části musí být pokryty pájkou |
Teplota pájení: 235±5℃ Doba ponoření: 2~3S |
|
| 11 | Tepelná odolnost pájky |
Pájení ponorem: 260±5℃ 5±1S Ruční pájení: 300±5℃ 2~3S |
|
| 12 | Bezpečnostní schválení | UL, CSA, VDE, ENEC, TUV, CE, KC, CQC | |
| 13 | Testovací podmínky |
Okolní teplota: 20±5℃ Relativní vlhkost: 65±5%RH Tlak vzduchu: 86~106 kPa |
|
Funkce a aplikace mikrospínače
Podrobnosti o mikrospínači
