Jako srovnávací model řady mikrospínačů Yueqing Tongda Wire Electric Factory má vysokoteplotní 16A 250V proudový mikrospínač HK-14 jako hlavní výhody „vysokou citlivost, ultra dlouhou životnost a přizpůsobivost více scénářům“. Integrací 35 let zkušeností společnosti s výrobou spínačů se stal klíčovou řídicí komponentou v domácích spotřebičích, automobilové elektronice, průmyslové automatizaci a dalších oborech, a to díky minimální mezeře kontaktů a mechanismu rychlé akce. Jeho výkon a spolehlivost byly certifikovány mnoha autoritativními organizacemi po celém světě, čímž si zajistily své hlavní postavení na vedlejším trhu.
Mikrospínač Úvod
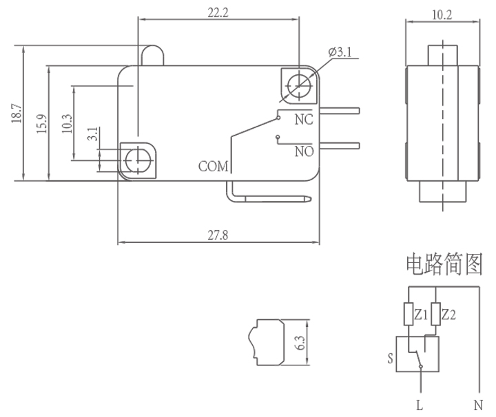
Řada HK-14 poskytuje vysoce flexibilní možnosti přizpůsobení pro splnění požadavků různých aplikací. Ovládací síla je přizpůsobitelná (méně než 5,0 N v bezpákovém stavu, normálně 30±15gf), s rozsahem provozního zdvihu 0,6 až 1,5 mm, který se přizpůsobí různým scénářům spouštěcí síly a přemístění. Styly pák jsou přizpůsobitelné, včetně přímých pák, zahnutých pák a válečkových pák, aby vyhovovaly různým strukturám mechanických převodů. Typy kontaktů zahrnují SPDT (1NO+1NC), NO a NC, které pokrývají celý rozsah, aby vyhovovaly požadavkům na jednoduché ovládání, blokování a další potřeby návrhu obvodu.
Pokyny pro instalaci a použití
Při instalaci musí být spínač namontován na rovnou plochu a upevněn plochou podložkou nebo pérovou podložkou, aby se předešlo chybné funkci nebo poškození pláště způsobeného nerovným povrchem. Vybírejte modely podle prostředí: pro vlhké nebo prašné podmínky se pro zvýšení ochrany doporučuje použít uzavřenou vlastní verzi. Na tlačítko nebo ovladač nenanášejte mazací olej, aby nedošlo k přilepení kontaktů, funkčním poruchám nebo dokonce vyhoření. Během skladování uchovávejte produkt na suchém, větraném místě, chráněném před deštěm nebo sněhem, a vyhněte se vysokým teplotám a vlhkosti, které mohou způsobit stárnutí součástí, čímž zajistíte, že si produkt zachová svůj původní výkon.
Parametr mikrospínače (specifikace)
| Technické vlastnosti spínače: | |||
| POLOŽKA | Technický parametr | Hodnota | |
| 1 | Elektrické hodnocení | 5(2)A/10A/16(3)A/21(8)A 250VAC | |
| 2 | Kontaktní odpor | ≤30mΩ Počáteční hodnota | |
| 3 | Izolační odpor | ≥100MΩ (500VDC) | |
| 4 |
Dielektrikum Napětí |
Mezi nezapojené svorky |
1000V/0,5mA/60S |
|
Mezi terminály a kovový rám |
3000V/0,5mA/60S | ||
| 5 | Elektrická životnost | ≥50 000 cyklů | |
| 6 | Mechanický život | ≥1000000 cyklů | |
| 7 | Provozní teplota | -25~125℃ | |
| 8 | Provozní frekvence |
elektrický: 15 cyklů Mechanické: 60 cyklů |
|
| 9 | Odolnost proti vibracím |
Frekvence vibrací: 10~55HZ; Amplituda: 1,5 mm; Tři směry: 1H |
|
| 10 |
Schopnost pájení: Více než 80 % ponořené části musí být pokryty pájkou |
Teplota pájení: 235±5℃ Doba ponoření: 2~3S |
|
| 11 | Tepelná odolnost pájky |
Pájení ponorem: 260±5℃ 5±1S Ruční pájení: 300±5℃ 2~3S |
|
| 12 | Bezpečnostní schválení | UL, CSA, VDE, ENEC, TUV, CE, KC, CQC | |
| 13 | Testovací podmínky |
Okolní teplota: 20±5℃ Relativní vlhkost: 65±5%RH Tlak vzduchu: 86~106 kPa |
|
Funkce a aplikace mikrospínače
Podrobnosti o mikrospínači
