Jako srovnávací model řady mikrospínačů Yueqing Tongda Wire Electric Factory se mikrospínač HK-14 16A 250VAC T125 Universal Pentium Supor Rice Cooker vyznačuje jako své hlavní výhody „vysokou citlivostí, ultra dlouhou životností a přizpůsobivostí více scénářům“. Integrací 35 let zkušeností společnosti s výrobou spínačů se stal klíčovou řídicí komponentou v domácích spotřebičích, automobilové elektronice, průmyslové automatizaci a dalších oborech, a to díky minimální mezeře kontaktů a mechanismu rychlé akce. Jeho výkon a spolehlivost byly certifikovány mnoha autoritativními organizacemi po celém světě, čímž si zajistily své hlavní postavení na vedlejším trhu.
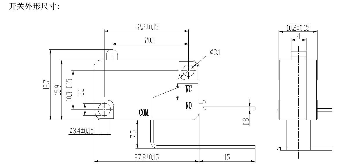
Mikrospínač Úvod
HK-14 prokazuje silnou konkurenceschopnost v technických specifikacích a je zvláště vhodný pro požadavky na vysokofrekvenční a vysoce přesné řízení. Kontakty jsou vyrobeny z vysoce vodivých slitinových materiálů s počátečním přechodovým odporem ≤30 mΩ, schopné stabilně přenášet proudy od 5A do 25A a kompatibilní s různými napěťovými scénáři včetně AC 125V/250V a DC 12V/24V, splňujících různé potřeby napájení od malých domácích spotřebičů po průmyslová zařízení.
Pokud jde o spouštěcí výkon, produkt využívá západkový mechanismus s pracovním zdvihem pouze 0,5-1,6 mm a ovládací silou řízenou mezi 0,25-4N. Nabízí rychlou odezvu spouštění a jasnou zpětnou vazbu, čímž se účinně vyhýbá problémům s „falešným spouštěním“ a „zpožděním spouštění“. Životnost daleko přesahuje průmyslové normy: mechanická životnost přesahuje 1 milion cyklů a elektrická životnost přesahuje 50 000 cyklů, což umožňuje dlouhodobý stabilní provoz ve scénářích vysokofrekvenčního použití, jako jsou mikrovlnné trouby a automobilová elektronika.
Stejně působivá je také přizpůsobivost prostředí. Produkt může pracovat v širokém teplotním rozsahu od -25 ℃ do 125 ℃, projít tříosým vibračním testem při 10-55 Hz s amplitudou 1,5 mm, udržovat izolační odpor ≥ 100 MΩ (500 V DC) a odolat napětí 1 000 V AC mezi svorkami v průmyslovém prostředí a při vysokých teplotách v motorovém prostoru i v dílenském prostředí a při rovnoměrných vibracích.
HK-14 se spoléhá na celoprocesní systém kontroly kvality Leqing Tongda a prochází několika přísnými testy od surovin až po hotové výrobky:
Testování surovin: Spektrální analýza kontaktního materiálu, testy pružnosti a únavy pružinového kusu a testy odolnosti proti stárnutí pláště, aby se zajistilo, že základní komponenty splňují automobilové normy;
Výrobní testování: Plně automatizované přesné montážní linky vybavené systémy vizuální kontroly, které kontrolují klíčové rozměrové chyby v rozmezí ±0,01 mm, aby byla zajištěna konzistentní přesnost ovládání;
Testování hotového výrobku: 100% úspěšnost pro 10 testů, včetně cyklování při vysokých a nízkých teplotách (-40℃ až 120℃), 48hodinové koroze v solné mlze, miliony lisovacích cyklů, vibrační a nárazové testy.
Parametr mikrospínače (specifikace)
| Technické vlastnosti spínače: | |||
| POLOŽKA | Technický parametr | Hodnota | |
| 1 | Elektrické hodnocení | 5(2)A/10A/16(3)A/21(8)A 250VAC | |
| 2 | Kontaktní odpor | ≤30mΩ Počáteční hodnota | |
| 3 | Izolační odpor | ≥100MΩ (500VDC) | |
| 4 |
Dielektrikum Napětí |
Mezi nezapojené svorky |
1000V/0,5mA/60S |
| Mezi terminály a kovový rám |
3000V/0,5mA/60S | ||
| 5 | Elektrická životnost | ≥50 000 cyklů | |
| 6 | Mechanický život | ≥1000000 cyklů | |
| 7 | Provozní teplota | -25~125℃ | |
| 8 | Provozní frekvence | elektrický: 15 cyklů Mechanické: 60 cyklů |
|
| 9 | Odolnost proti vibracím | Frekvence vibrací: 10~55HZ; Amplituda: 1,5 mm; Tři směry: 1H |
|
| 10 | Schopnost pájení: Více než 80 % ponořené části musí být pokryty pájkou |
Teplota pájení: 235±5℃ Doba ponoření: 2~3S |
|
| 11 | Tepelná odolnost pájky | Pájení ponorem: 260±5℃ 5±1S Ruční pájení: 300±5℃ 2~3S |
|
| 12 | Bezpečnostní schválení | UL, CSA, VDE, ENEC, TUV, CE, KC, CQC | |
| 13 | Testovací podmínky | Okolní teplota: 20±5℃ Relativní vlhkost: 65±5%RH Tlak vzduchu: 86~106 kPa |
|
Funkce a aplikace mikrospínače
Podrobnosti o mikrospínači

