Jako reprezentativní produkt společnosti Yueqing Tongda Cable Power Plant, který ztělesňuje integraci základní standardizace a přizpůsobení, je přepínač Gas Water Heater a Gas Spove Micro Switch navržen se základními principy „stability, spolehlivosti a kompatibility scén“. Zahrnuje 35 let zkušeností společnosti v oblasti výroby spínačů a dosahuje několika optimalizací elektrického výkonu, úrovní ochrany a uživatelské zkušenosti. Přepínač je široce použitelný pro scénáře, jako je chytrá domácí distribuce energie, průmyslová pomocná zařízení a malé lékařské přístroje, což z něj činí preferovanou součást ovládání obvodu, která vyvažuje univerzálnost s potenciálem přizpůsobení.
MikrospínačZavedení
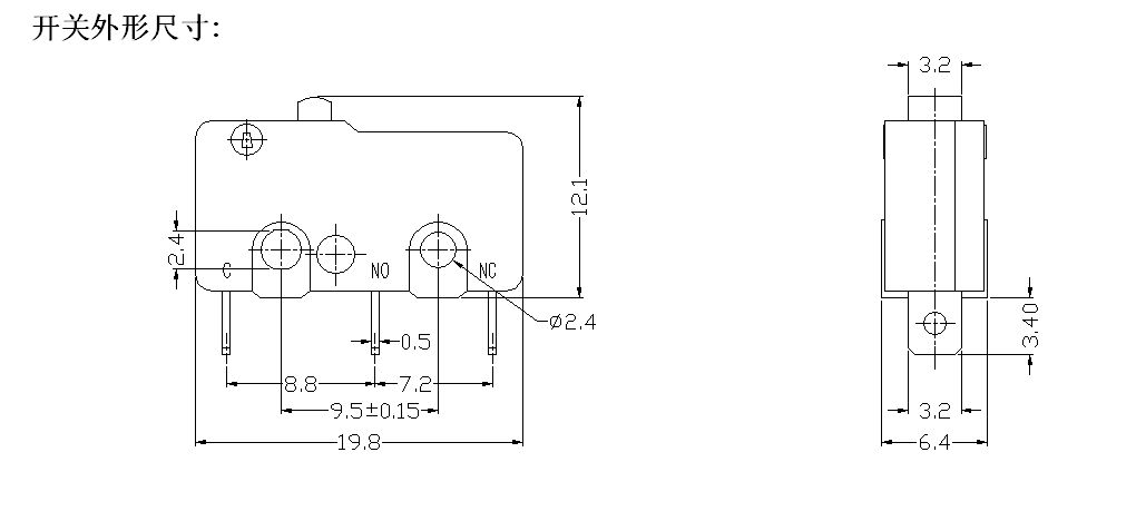
Přepínač HK-04G-L se zaměřuje na praktické požadavky na klíčové parametry, splňující základní standardy ovládání pro různé scénáře. Kontakty jsou vyrobeny ze slitiny stříbra a cínu a zpracovány přesným svařováním s počátečním přechodovým odporem ≤8mΩ. Dokáže spolehlivě přenášet střídavý proud 10A-16A (jmenovité napětí 250V AC), vhodný pro napájení většiny domácích a malých průmyslových zařízení, účinně předchází problémům s přehříváním kontaktů nebo erozí způsobenou proudovým přetížením.
Spoušť a životnost jsou stejně spolehlivé: používá konstrukci spouště kolébkového typu se zdvihem stisku 1,3-1,6 mm a ovládací silou řízenou v rozmezí 1,5-3N. Zpětná vazba aktivace je jasná a plynulá, takže při každodenním používání je nepravděpodobné, že by došlo k „nereagujícímu stisknutí“. Mechanická životnost dosahuje 80 000 lisovacích cyklů a elektrická životnost přesahuje 50 000 cyklů. Ve vysokofrekvenčních zařízeních, jako jsou chladničky, malé ventilátory a komerční tiskárny, může dosáhnout stabilního provozu po dobu 3-5 let.
Adaptabilita prostředí splňuje požadavky konvenčního scénáře: Produkt funguje v teplotním rozsahu -30 °C až 80 °C, je schopen zvládnout nízké teploty v zimě na severu a podmínky rozptylu tepla v létě; izolační odpor je ≥50MΩ (500VDC) a svorkové napětí vydrží 800V AC, což splňuje bezpečnostní elektrické normy pro domácí a komerční použití. Skříň je navíc vyrobena z materiálu ABS zpomalujícího hoření (v souladu s UL94 V-1), což snižuje bezpečnostní rizika způsobená zkraty.
MikrospínačAplikace
Ve scénářích chytré domácnosti a domácnosti lze HK-04G-L se svými kompaktními rozměry (přibližně 20×15×10 mm, D׊×V) snadno integrovat do chytrých rozvodných skříní, nástěnných zásuvek a ovládacích panelů malých spotřebičů. V současné době se stala součástí, kterou používá několik domácích značek inteligentních domů pro funkce, jako je ovládání osvětlení a spínání napájení spotřebičů. Jedna značka uvedla, že poruchovost produktů, které jsou jí vybaveny, je o 40 % nižší než u tradičních přepínačů.
V malých průmyslových a komerčních scénářích je produkt vhodný pro řízení výkonu malých dopravníkových zařízení, komerčních kávovarů, kancelářských tiskáren a dalších zařízení. Optimalizací struktury připojení terminálů podporuje rychlou instalaci kabeláže a zvyšuje efektivitu montáže zařízení. Dříve přizpůsobená verze pro komerčního výrobce spotřebičů prostřednictvím úpravy rozteče svorek splňovala požadavky na kompaktní vnitřní kabeláž jejich zařízení a zlepšila efektivitu instalace o 25 %.
Mikrospínač Specifikace
| Technické vlastnosti spínače: | |||
| POLOŽKA | Technický parametr | Hodnota | |
| 1 | Elektrické hodnocení | 5(2)A 125V/250VAC 10(3)125V/250VAC | |
| 2 | Kontaktní odpor | ≤50mΩ Počáteční hodnota | |
| 3 | Izolační odpor | ≥100MΩ (500VDC) | |
| 4 |
Dielektrikum Napětí |
Mezi nezapojené svorky |
500V/0,5mA/60S |
| Mezi terminály a kovový rám |
1500V/0,5mA/60S | ||
| 5 | Elektrická životnost | ≥10 000 cyklů | |
| 6 | Mechanický život | ≥100000 cyklů | |
| 7 | Provozní teplota | -25~125℃ | |
| 8 | Provozní frekvence | Elektrické: 15 cyklů Mechanické: 60 cyklů |
|
| 9 | Odolnost proti vibracím | Frekvence vibrací: 10~55HZ; Amplituda: 1,5 mm; Tři směry: 1H |
|
| 10 | Schopnost pájení: Více než 80 % ponořené části musí být pokryty pájkou |
Teplota pájení: 235±5℃ Doba ponoření: 2~3S |
|
| 11 | Tepelná odolnost pájky | Pájení ponorem: 260±5℃ 5±1S Ruční pájení: 300±5℃ 2~3S |
|
| 12 | Bezpečnostní schválení | UL, CSA, VDE, ENEC, CE | |
| 13 | Testovací podmínky | Okolní teplota: 20±5℃ Relativní vlhkost: 65±5%RH Tlak vzduchu: 86~106KPa |
|
Tongda Wire Electric Micro USB Inline vypínač Podrobnosti

