Jako reprezentativní produkt Yueqing Tongda Wire Electric Factory, který ztělesňuje integraci základní standardizace a přizpůsobení, je 5A normálně otevřený/normálně zavřený vysoce teplotně odolný resetovací přepínač inteligentního zařízení navržen s hlavními principy „stability, spolehlivosti a kompatibility scén“. Zahrnuje 35 let zkušeností společnosti v oblasti výroby spínačů a dosahuje několika optimalizací elektrického výkonu, úrovní ochrany a uživatelské zkušenosti. Přepínač je široce použitelný pro scénáře, jako je chytrá domácí distribuce energie, průmyslová pomocná zařízení a malé lékařské přístroje, což z něj činí preferovanou součást ovládání obvodu, která vyvažuje univerzálnost s potenciálem přizpůsobení.
MikrospínačZavedení
Mikrospínače (také známé jako mžikové spínače) používají pružinový mechanismus k dosažení okamžité aktivace – není potřeba žádné pomalé stisknutí. Mohou rychle otevřít nebo zavřít kontakty a zajistit stabilní výkon bez zpoždění. Pro kupující to znamená vyšší odolnost (snížení opotřebení kontaktů) a přesnost, což pomáhá vyhnout se bezpečnostním rizikům způsobeným zaseknutými spínači.
Níže jsou uvedeny klíčové výrobní kroky, kterým musí kupující porozumět, aby mohli posoudit kvalitu produktu:
1. Výroba součástí: Precizně opracované kovové kontakty a pružiny; odolný kryt (plast/kovové materiály).
2. Montáž: Přesná montáž pružin, kontaktů a pohonů, aby nedošlo k ovlivnění výkonu.
3. Testování: Přísné testování (tisíce lisovacích testů, testy elektrické kontinuity) pro zajištění spolehlivosti.
4. Balení: Ochranný obal pro snadnou přepravu, s jasným označením specifikací.
MikrospínačAplikace
Mikrospínače jsou široce používané a spolehlivé z hlediska výkonu, používají se hlavně v:
- Domácí spotřebiče: osvětlení lednice, zámky dveří mikrovlnné trouby, spínače víka pračky a časovače toustovače.
- Průmyslová zařízení: modely pro velké zatížení vhodné pro dopravní pásy, stroje a ovládací panely (odolné proti prachu a vlhkosti).
- Automobilový průmysl: stěrače čelního skla, indikátory otevřených dveří – schopné odolat vibracím a extrémním teplotám.
- Elektronická zařízení: miniaturní spínače pro dálkové ovladače a herní ovladače (citlivé a s dlouhou životností).
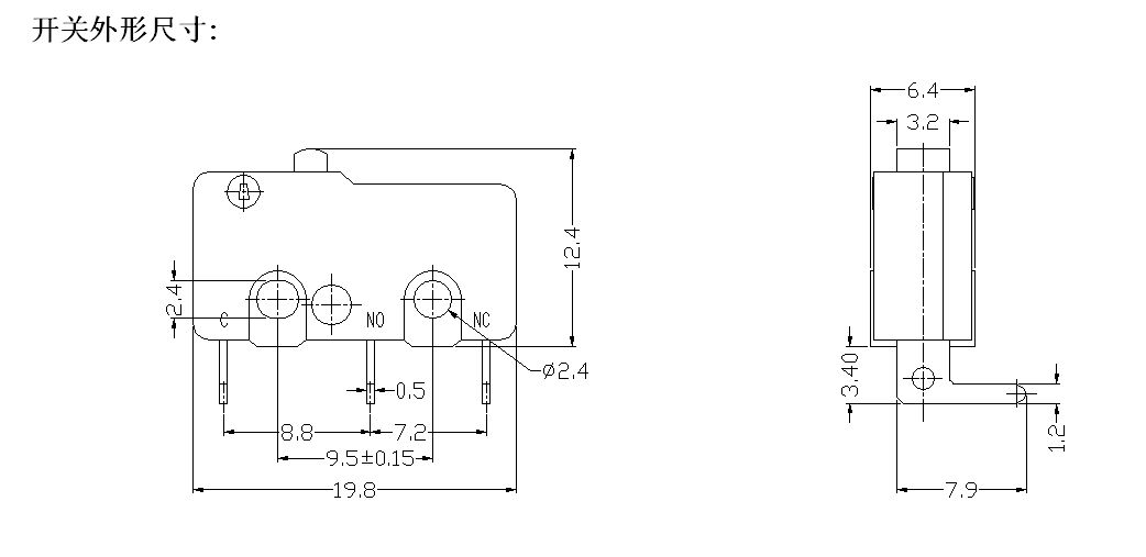
Mikrospínač Specifikace
| Technické vlastnosti spínače: | |||
| POLOŽKA | Technický parametr | Hodnota | |
| 1 | Elektrické hodnocení | 5(2)A 125V/250VAC 10(3)125V/250VAC | |
| 2 | Kontaktní odpor | ≤50mΩ Počáteční hodnota | |
| 3 | Izolační odpor | ≥100MΩ (500VDC) | |
| 4 |
Dielektrikum Napětí |
Mezi nezapojené svorky |
500V/0,5mA/60S |
| Mezi terminály a kovový rám |
1500V/0,5mA/60S | ||
| 5 | Elektrická životnost | ≥10 000 cyklů | |
| 6 | Mechanický život | ≥100000 cyklů | |
| 7 | Provozní teplota | -25~125℃ | |
| 8 | Provozní frekvence | Elektrické: 15 cyklů Mechanické: 60 cyklů |
|
| 9 | Odolnost proti vibracím | Frekvence vibrací: 10~55HZ; Amplituda: 1,5 mm; Tři směry: 1H |
|
| 10 | Schopnost pájení: Více než 80 % ponořené části musí být pokryty pájkou |
Teplota pájení: 235±5℃ Doba ponoření: 2~3S |
|
| 11 | Tepelná odolnost pájky | Pájení ponorem: 260±5℃ 5±1S Ruční pájení: 300±5℃ 2~3S |
|
| 12 | Bezpečnostní schválení | UL, CSA, VDE, ENEC, CE | |
| 13 | Testovací podmínky | Okolní teplota: 20±5℃ Relativní vlhkost: 65±5%RH Tlak vzduchu: 86~106KPa |
|
Tongda Wire Electric Micro USB Inline vypínač Podrobnosti

